上海博雷特阀门制造有限公司

设为首页 | 收藏本站
咨询热线:13795450666
产品详情
D373H凸耳蝶阀
分享到:

D373H凸耳蝶阀

品牌 博雷特
型号 D373H凸耳蝶阀
材质 铸钢,碳钢,不锈钢
规格 DN50-DN600
产品详情

D373H凸耳蝶阀

D373H凸耳蝶阀采用三维偏心斜锥形阀座密封,蝶板密封采用新型金属片与弹性材料层叠而成,嵌装在蝶板上与阀座吻合。利用蝶板摆动压紧密封,所以密封面摩擦阻力小,关闭时具有越关越紧功能,这样密封性可靠,开启确保密封面完全脱离接触,保证了密封面不受损伤.

D373H凸耳蝶阀产品说明

D373H凸耳蝶阀采用三维偏心斜锥形阀座密封,蝶板密封采用新型金属片与弹性材料层叠而成,嵌装在蝶板上与阀座吻合。利用蝶板摆动压紧密封,所以密封面摩擦阻力小,关闭时具有越关越紧功能,这样密封性可靠,开启确保密封面完全脱离接触,保证了密封面不受损伤。该蝶阀结构特点排除了其他类型蝶阀开过位而不能密封的缺点,且在高曙下能正常使用,克服了其它类型阀门在高温使用时因热膨胀而容易泄漏的缺点。该蝶阀耕具使用介质要求,选用不同密封面材料,以保证密封面耐磨损、耐腐蚀、使用寿命长。

D373H凸耳蝶阀设计标准

设计标准API609-83
法兰连接尺寸ANSI B16.5
结构长度ANSI B16.10-1992
压力试验:API598-82

D373H凸耳蝶阀主要技术参数

公称通径DN(mm)2"~36"
公称压力PN(Mpa)150Lb300Lb
试验压力强度试验3.07.5
密封试验2.25.5
适用介质水、蒸汽、油品、海水等
适用温度-29℃~425℃

D373H凸耳蝶阀主要零件的材质

零件名称材料
阀体WCB、304、316、316SS、CF8M
蝶板WCB、304、316、316SS、CF8M
阀杆316、2Cr13、1Cr18Ni9Ti
密封圈316、氟塑料
填料柔性石墨、氟塑料

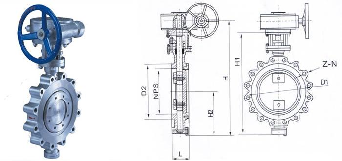
D373H凸耳蝶阀外形结构图

D373H凸耳蝶阀主要外形尺寸

型号英寸LL1DD1D2H2H1HMZ-dWt/kgs
英寸毫米英寸毫米英寸毫米英寸毫米

英寸毫米英寸毫米英寸毫米对夹式法兰式
D373H-150LB2"1.724314.251086.001524.75120.53.62924.3311011.0228013.58345M184-19920
3"1.93494.501147.501906.00152.55.001274.9212512.4031514.96380M184-191129
4"2.20565.001279.002297.50190.56.191575.7014513.7835016.34415M208-191333
5"2.50645.5014010.002548.502167.321866.5016515.3539017.91455M208-221638
6"2.75705.5014011.002799.50241.58.502166.8917517.9145521.45545M208-222674
8"2.80715.9015013.5034311.75298.510.622708.2621020.6725224.21615M248-223486
10"3.00766.3016016.0040614.2536212.753249.8425023.8160527.36695M2412-2551142
连接尺寸12"3.38867.0017819.0048317.0043215.0038111.2428528.7473032.78830M2712-2572167
14"3.63927.5019021.0053318.7547616.2541312.6032031.5080035.43900M2712-29106218
16"4.001028.5021623.5059721.2554018.5047013.9835534.2587038.58980M3016-29133275
18"4.501148.7422225.0063522.7557821.0053314.9638036.2292040.551030M3016-32176315
D373H-300LB20"5.001279.0022927.5039925.0063523.0058416.3441539.37100043.701110M3320-32190395
24"6.0615410.5026732.0081329.5075027.2569218.7047545.51115551.371305M3320-35394580
30"6.5016511.5029238.7598536.0091433.7585722.3858054.13137560.031525M3928-35476717
32"7.5019012.5031841.75106038.5097836.0091424.8063056.50143562.401585M3928-41618880
36"8.0020313.0033046.00116842.75108540.25102226.7768062.40158569.481765M2032-417621042
6"2.7570



9.52403.52166.8917517.9143521.45545M208-2228
8"2.8071



11.7529810.622708.2621020.6752524.21615M248-2236
10"3.0076



14.2536212.753249.8425023.8160527.36695M2412-2553
12"3.3886



17.0043215.0038111.2428528.7473032.78830M2712-2574
14"3.6392



18.7547616.2541312.6432031.5080035.43900M2712-29110
16"4.00102



21.2554018.5047013.9835534.2587038.58980





----------------------------
----------------------------
----------------------------